EN

? 熒光燈調(diào)光器
High commutation capability.
High operation temperature.
Support Low IGT drive capability.
High resistance noise capability.
Low power dissipation.
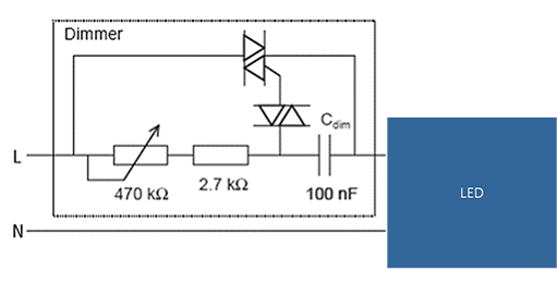
? LED調(diào)光器
High commutation capability.
High operation temperature.
Support Low IGT drive capability.
Low power dissipation.